作者:Art Pini
无论基本采样数据采集系统是用于物联网、智能家居还是工业控制,如果不采取保护措施,都将因混叠而导致不准确问题,因为当模拟输入采样不足而产生杂散信号时,就会发生混叠。混叠将频率高于奈奎斯特频率(采样频率的一半)的信号分量叠回基带频谱,使它们无法与所需信号分离,从而导致误差。另外,高于奈奎斯特频率的噪声也会向下混合至基带,从而降低所需基带信号的信噪比 (SNR)。
若要防止混叠,解决方案是对输入信号进行带宽限制,即将所有输入信号分量限制在模数转换器 (ADC) 采样频率的一半以下。模拟低通滤波器也称为抗混叠滤波器,可用来实现带宽限制。在对带宽进行限制时,滤波器不能增加信号失真、噪声或幅度的频率差异。抗混叠低通滤波器设计必须为快速滚降提供足够的阻带衰减,以降低大幅高于奈奎斯特频率的信号幅度。
何为混叠?
当系统进行数据采集时,采样率不足就会发生混叠。如果信号包含任何高于奈奎斯特频率的频率,就会与转换器采样器中的采样频率混合,并映射到低于奈奎斯特频率的频率,从而导致不同的信号在采样过程中发生混合且彼此无法区分(即,互相混叠)(图1)。

(图片来源:Digi-Key Electronics)
左上方网格中显示的信号是80kHz正弦波,采样率为2兆样本/秒 (MS/s)。在2MS/s时,奈奎斯特频率为1兆赫 (MHz);该信号远低于此频率。左下方网格显示了采样率降至100千样本/秒 (kS/s) 时发生的情况。此时,奈奎斯特频率为50kHz,而80kHz正弦波频率高于奈奎斯特频率,因而发生混叠。
在图像右侧,正确采样和混叠的信号被水平扩展和重叠,其中点表示实际样本。请注意,混叠信号包含以2MS/s采样的信号样本子集。采样是一种混合操作,且该操作的输出由输入信号的和与差以及采样频率组成。
在100kS/s的采样率和80kHz的信号频率下,差频为20kHz。两种情况的频率测量值都显示在网格下方。参数读数P1读取正确采样信号的频率为80kHz,而混叠信号的频率为20kHz。
设计抗混叠低通滤波器
在设计抗混叠滤波器时,第一步是确定采集系统所需的带宽。这可确定低通滤波器的截止频率。滤波器截止频率通常设置为-3分贝(dB)或半功率点。在该频率下,滤波信号的幅度下降至DC处幅度的0.707。如果采集系统设计要求较平坦的频率响应,则可以使用较低的衰减值(例如-1dB)来定义截止频率。截止频率幅度越高,抗混叠滤波器频率响应的滚降就越重要。
在确定采集系统的带宽后,即可设置采样率。理论上的最低采样频率是采集系统带宽的两倍。然而,这个理论上的限值在实践中并不是一个很好的采样频率,因为可实现的抗混叠滤波器不可能像完美的理论滤波器那样,硬生生地衰减高于截止频率的信号。这意味着采样率应该更高。这里需要权衡的是,存储器需求会随着采样频率提高而增加。在存储器昂贵的时代,这使得采样率尽可能接近奈奎斯特频率,通常是介于输入带宽的2.5到4倍之间。而存储器成本的降低放松了此要求,因此采样率可以更高;带宽的五到十倍也并非闻所未闻。
考虑设计一种需要100kHz采集带宽的超声传感器。采样率可以是500kHz至1MHz。
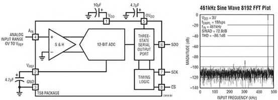
现在可以选择ADC。对于我们的示例,可以选择采样率为1MS/s的12位逐次逼近转换器,例如Analog Devices的LTC2365ITS8#TRMPB。其12位分辨率可提供72dB的理论动态范围。该ADC具有出色的动态性能,包括-72dB的信纳比 (SINAD) 规格和-73dB的SNR,两者的采样频率均为1MS/s(图2)。

(图片来源:Analog Devices)
以1MS/s的采样率运行时,奈奎斯特频率为500kHz。100kHz低通滤波器的输出必须具有阻带衰减,以使高于奈奎斯特的信号分量下降至ADC本底噪声。在本例中,对于高于500kHz的频率,此值大于-73dB。
选择滤波器类型
低通滤波器有许多可能的类型或配置。最常用的是巴特沃斯、切比雪夫和贝塞尔滤波器。这些滤波器的频率响应不同,并根据应用提供一些关键的差异因素(图3)。

(图片来源:Digi-Key Electronics)
所示的三种滤波器响应都有各自的具体特点。例如,巴特沃斯滤波器具有最平坦的幅度响应。这意味着,该滤波器在通带频率范围内提供最平坦的增益响应,并在过渡区具有适度的滚降。
贝塞尔滤波器提供统一的时间延迟,以实现恒定的群延迟。这意味着,该滤波器具有随频率变化的线性相位响应和优异的脉冲输入瞬态响应。这种优异的相位响应是以通带的平坦度和通带以外的初始滚降衰减较慢为代价的。
切比雪夫滤波器设计成在过渡区呈现出更陡峭的滚降,但在通带中具有更多的纹波。若设计采用这种滤波器类型,则通常会基于特定的最大纹波。例如,如果截止频率幅度限制为-1dB,则纹波规格通常将设置为最大1dB。
这些滤波器在时域中对脉冲的响应有助于理解如何选择适当的滤波器类型(图4)。

(图片来源:Digi-Key Electronics)
贝塞尔滤波器具有线性相位频率响应,能够使脉冲以最小的失真通过,但既没有巴特沃斯滤波器的幅度平坦度,也没有切比雪夫滤波器的锐截止特性。选择的过滤器类型取决于应用:
- 如果幅度精度是最重要的考虑因素,则应选择巴特沃斯滤波器
- 如果所需的采样率接近信号带宽,则切比雪夫滤波器将是首选
- 如果主要考虑脉冲保真度,则贝塞尔滤波器是最佳选择
滤波器阶数
滤波器阶数代表了指滤波器设计的复杂性。该术语与设计中电抗元件(例如电容器)的数量有关。此外,它还代表了滤波器传递函数中的极数。
滤波器的阶数影响过渡区滚降的陡度,进而影响过渡区的宽度。一阶滤波器的滚降为每倍频程6dB,或每十倍频程20dB。n阶滤波器的滚降速率为6×n dB/倍频程或 20×n dB/十倍频程。因此,一个八阶滤波器的滚降率为每倍频程48dB或每十倍频程160dB。
以前文所述的超声传感器设计为例,按照500kHz的奈奎斯特频率来算,所有高于100kHz的信号都需要衰减至少-73dB。八阶滤波器在500kHz下将信号衰减约-98dB(图5)。六阶滤波器在500kHz下将带外信号衰减约-83dB。 因此,对于我们的示例,使用六阶滤波器就足够了,但是使用八阶滤波器可以提供更低的带外信号幅度。如果成本相同,则应选择八阶滤波器。稍后在讨论元器件时,将对这种权衡进行更多讨论。

(图片来源:Digi-Key Electronics)
滤波器的阶数可通过级联多个滤波器来增加。例如,两个二阶低通滤波器可以级联在一起,以构成一个四阶低通滤波器,依此类推。多个有源滤波器的级联代价是功耗、成本和尺寸都会增加。
六阶或八阶滤波器的选择还取决于所选滤波器元器件的可配置性。滤波器IC若配置为四个二阶滤波器,则可以实现一个六阶滤波器,但若滤波器IC配置为双四阶滤波器,则只能实现一个八阶滤波器。
滤波器组件
抗混叠滤波器若要用于声频和超声频率,则可以使用有源或开关电容滤波器来实现。通常,使用任一滤波器类型的结果非常相似。在使用16或更高位超高分辨率ADC的应用中,由于出现噪声的可能性较低,因此首选有源滤波器。开关电容滤波器需要时钟信号,因此出现噪声的可能性较高,这是由于来自时钟信号的串扰导致。
Analog Devices的LTC1563系列提供4极或四阶有源滤波器,它们使用单个电阻器来控制截止频率。该系列提供巴特沃斯或贝塞尔型滤波器配置。LTC1563-2是一款4极巴特沃斯配置的滤波器元器件,最大截止频率为256kHz。该滤波器IC可以通过级联方式实现八阶低通响应(图6)。

(图片来源:Analog Devices)
如果应用需要可变的截止频率,则Analog Devices的LTC1564IG#TRPBF是一个不错的选择。该八阶低通滤波器使用4位控制总线以数字方式控制带宽,可在10kHz到150kHz的范围内以10kHz步幅变动截止频率。此外,增益也可按数字方式进行编程。该滤波器具有122dB的动态范围,适用于16至20位分辨率的采集系统(图7)。

(图片来源:Analog Devices)
此外,可变截止频率设计也可以通过开关电容滤波器来实现。Analog Devices的LTC1068-25IG#PBF是一款通用开关电容器八阶低通滤波器,最大截止频率为200kHz。该IC由四个二阶滤波器构件组成,可以通过级联方式创建八阶低通滤波器(图8)。

(图片来源:Analog Devices)
通用有源滤波器IC也可以用于抗混叠。它们需要更多的元件来设置滤波器特性。Analog Devices的LTC1562-2是一款低噪声/低失真的四二阶滤波器,可以配置为具有低通、高通或带通响应的巴特沃斯、切比雪夫、椭圆或等纹波延迟响应滤波器。截止频率为20至300kHz,可使用电阻值进行编程。通过三个电阻器可设定中心频率、增益和Q值。该四二阶滤波器的设计可配置为产生二阶、四阶、六阶或八阶滤波器。
总结
数据采集系统需要使用抗混叠低通滤波器,以确保可以正确地重建所有目标采样信号。所需的滤波器特征取决于与之配对的ADC的带宽、幅度分辨率和采样率。如上所述,有多种设计选项可用于实现低通滤波器,包括有源、数字可控和开关电容器件。