Zhihong Yu, Principal Product Marketing and Application Engineering Manager
2022 年 6 月
引言
低压差稳压器(通常称为 LDO)广泛用于许多行业的各类电子应用。一般认为,LDO 是调节和控制由较高输入电压电源提供的输出电压的一种简单而便宜的方法。但是,成本和简单性并非其得到广泛使用的唯一原因。事实上,如今的系统随着每种新设计的出现而变得越来越复杂、对噪声的反应更加敏感并且更加耗电。各种功率水平的开关电源的广泛使用,意味着设计工程师必须花更多时间考虑如何避免噪声耦合和干扰,同时还要提高系统效率,所以成本和简单性不是唯一的推动因素。
对大多数应用而言,产品数据表的基本参数的规格明白易懂。遗憾的是,产品数据表并不会列出针对每种可能的电路条件的参数。因此,若要发挥 LDO 的最大优势,就必须理解主要性能参数及其对既定负载的影响。设计工程师需要通过严密分析周围电路条件,来确定 LDO 是否适合特定负载。
本文分析了 LDO 的主要性能参数,以及它们对于向电子系统中的各种器件提供干净的输出电压的影响,另外还将讨论设计工程师在优化系统时(特别是在对噪声敏感和电流较高的使用区域)必须考虑的因素。
如何在应用中使用 LDO
在大多数应用中,LDO 主要用于将灵敏的负载与有噪声的电源相隔离。与开关稳压器不同,线性稳压器会在通路晶体管或 MOSFET(用来调节和保持输出电压来达到所需的精度)中造成功率耗散。因此,就效率而言,LDO 的功率耗散会是一个显著劣势,并可能导致热问题。所以,设计工程师需要通过尽可能降低 LDO功率耗散,来提升系统效率和避免热复杂性,这一点很重要。
LDO 是用于电压调节的最老和最常用器件;然而,其许多主要性能参数并未得到人们的充分理解或至少未被最大限度地加以利用。尽管成本是一项非常重要的因素,但推动 LDO 使用的主要因素是系统的功率要求和受电负载可接受的噪声水平。LDO 还可用于降噪,以及修复由电磁干扰(EMI)和印刷电路板(PCB)布线造成的问题。
对于电流消耗非常低的负载,LDO 的功率耗散非常小,所以由于其简单、成本低和易用性而成为必然之选。但是,对于电流消耗大于 500mA 的负载,其他因素变得更重要,有时甚至很关键。在这类应用中,系统工程师应当对那些在较高电流水平条件下重要性会提升的性能参数多加考虑,如压差、负载调节和瞬态性能。
LDO 是线性稳压器的一种,所以人们常常拿它与传统线性稳压器相比,特别是在成本方面。很重要的一点是要理解通路元件是 LDO 的核心,且该核心及其周围电路对 LDO 的性能具有决定性影响。
LDO 内部
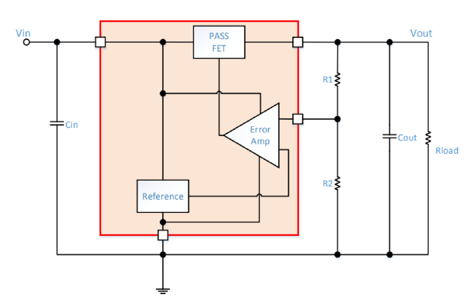
LDO 包含三个基本功能元件:一个参考电压、一个通路元件和一个误差信号放大器,如图 1 所示。正常工作期间,通路元件充当电压控制器电流源。通路元件由来自误差信号放大器的补偿控制信号驱动,误差信号放大器可感测输出电压并将其与参考电压进行比较。所有这些功能块都会影响 LDO 的性能。LDO 生产商的产品数据表始终包括相应规格,用以说明这些功能元件的性能。

从图 2 可以看出,LDO 稳压器设计中通常有四种不同的通路元件:基于 NPN 型晶体管的稳压器、基于 PNP型晶体管的稳压器、N 通道基于 MOSFET 的稳压器和 P 通道基于 MOSFET 的稳压器。

通常,基于晶体管的稳压器比基于 MOSFET 的稳压器具有更高的压差。另外,基于晶体管的稳压器的晶体管通路元件的基极驱动电流与输出电流成比例。这会直接影响基于晶体管的稳压器的静态电流。相比之下,MOSFET 通路元件使用隔离栅极驱动的电压,使其静态电流显著低于基于晶体管的稳压器。
主要 LDO 性能参数
1. 压差
压差是指在进一步减小输入电压会造成输出电压失稳时的输入电压与输出电压之差。在压差条件中,通路元件在线性区工作,相当于一个电阻。对于现在的 LDO,通路元件通常采用 PMOS 或 NMOS FET 来实现,根据负载条件,可实现低至 30mV 到 500mV 的压差。图 3 和图 3A 分别显示了 RAA214020、RAA214023、RAA214220 和 RAA214250 的压差。所有这些 LDO 都使用 PMOS FET 作为通路元件。

2. 负载调整率
负载调整率是指在给定负载变化下的输出电压变化,这里的负载变化通常是从无负载到满负载,对应的负载调整率如方程式 1 所示:

负载调整率体现了通路元件的性能和稳压器的闭环 DC 增益。闭环 DC 增益越高,负载调整率越好。
下表显示我们最新的 LDO 具有出色的负载调整率规格。

3. 线性调整率
线性调整率是指在给定输入电压变化下的输出电压变化,如方程式 2 所示:

由于线性调整率还取决于通路元件的性能和闭环 DC 增益,在考虑线性调整率时常常不包括压差操作。因此,线性调整率的最小输入电压必须高于压差。
下表显示了我们最新的 LDO 线性调整率规格。

4. 电源抑制比( PSRR )
PSRR 表示 LDO 抑制由输入电压造成的输出电压波动的能力,如方程式 3 所示。线性调整率只有在直流电时才需要考虑,但 PSRR 必须在宽频率范围上考虑。方程式 3:

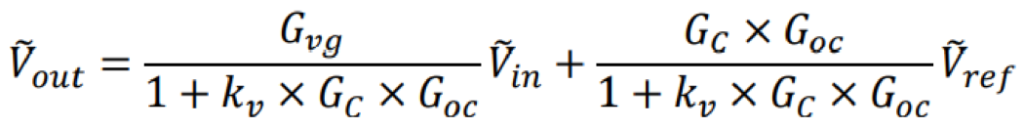
考虑传统的闭环系统,小信号输出电压~Vout 可由方程式 4 表示:

其中~Vin 是小信号输入电压,?vg 是从输入到输出电压的开环传递函数,K? 是输出电压感测增益,?c 是补偿器的传递函数,?oc 是从控制信号到输出电压的开环传递函数,K? ×?c ×?oc 是闭环传递函数?(?)。
从式 3 和式 4 可以看出,很显然 PSRR 由闭环增益?(?)和从输入到输出电压的开环传递函数的倒数 1/??g 组成,如图 4 所示。闭环传递函数在较低频率下占支配地位,从输入到输出电压的开环传递函数在较高频率下占支配地位。

下表显示了我们最新的 LDO PSRR 性能规格。请注意,我们的高 PSRR LDO(RAA214020 和 23)能够在
100Hz~10kHz 范围内保持平稳的 PSRR 响应,而其他 LDO 则会逐渐减弱。由于 RAA214020/23 旨在为射频模块等对噪声敏感的应用供电,因此必须使用具有高 PSRR 的 LDO 来尽可能减少任何可能影响宽频率范围射频性能的电源干扰。

5. 噪声
该参数通常是指 LDO 本身在输出电压上产生的噪声,是带隙电压参考的内在特征。式 4 显示了参考电压与输出电压的关系。遗憾的是,闭环传递函数对于抑制从参考电压到输出电压的噪声效果不大。因此,大多数低噪声 LDO 都需要一个额外滤波器来防止噪声进入闭环。
在比较超低噪声高 PSRR LDO(如 RAA214020/23)与通用 LDO 的引脚输出时,会注意到有一个额外的Cset 引脚,并且该引脚和 IC 接地之间可以包含一个较小的电容器,以优化输出噪声和 PSRR 性能。这个小电容器可以滤除对噪声非常敏感的 LDO 带隙上的噪声。
请注意,RAA214220/RAA214250/RAA214401 等通用 LDO 仅指定输出 RMS 噪声,通常在>100uVrms 的范围内,而 RAA214020/23 等超低噪声 LDO 将包括噪声频谱密度(即 nV/√(Hz)),输出 RMS 噪声性能低
于 10uVrms。
6. 瞬态响应
LDO 普遍用于负载点调节比较重要的应用中,例如为数字 IC、DSP、FPGA 和低功率 CPU 供电。此类应用中的负载有多种工作模式,需要不同的供电电流。因此,LDO 必须快速响应,以使供电电压保持在要求的限制范围之内。这使 LDO 的瞬态行为成为关键性能参数之一。
如同在所有闭环系统中一样,瞬态响应主要取决于闭环传递函数的带宽。要想实现最佳瞬态响应,闭环回路带宽必须尽可能高,同时还要确保有足够相位余量,以保持稳定性。
ISL80510 具有出色的负载瞬态响应和相对良好的输出噪声电压(75uVrms),但后续推出的 RAA214020/23 不仅具有类似的负载瞬态响应,还提供非常高的 PSRR 和超低噪声频谱密度性能。

7. 静态电流
LDO 的静态电流(或接地电流)是通路元件的偏流和驱动电流的组合,通常保持尽可能低的水平。另外,当PMOS 或 NMOS FET 用作通路元件时,静态电流相对来说不太受负载电流的影响。因为静态电流不会流向输出,所以它会影响 LDO 的效率,如方程式 5 所示:

LDO 内部的功率耗散定义为:?in × (?q + ?out) − ?out × ?out。要想优化 LDO 的效率,必须将静态电流以及输入电压与输出电压之差降到最低。输入电压与输出电压之差对效率和功率耗散有直接影响,所以一般选择最低压差。
尽管 LDO 不能像开关模式电源(SMPS)那样提供较高的效率转换,但它对于很多现在的电路来说依然是必不可少的稳压器。在对噪声敏感的应用中,使 SMPS 实现必要的输出纹波来满足严格的噪声规格要求非常具有挑战性。因此,对 SMPS 的输出添加一个 LDO 作为有源滤波器的情况并不少见。该 LDO 在 SMPS 开关频率下必须具备较高的 PSRR。
LDO 特别适用于那些需要将输出电压调整到略低于输入电压的应用。虽然降压和升压转换器对最大/最小占空比有限制,但若其输入电压接近输出电压,则会导致输出电压失稳。
RAA214401 基于上述设计理念开发,旨在为客户提供一种易于使用的宽 Vin 范围(高达 40V)150mALDO,具有超低 3.6uA 静态电流和常用的固定 3V3 输出源,非常适合为任何“始终开启”的管家 MCU 供电,而不涉及任何严重的断电问题。
RAA214220 (150mA)和 RAA214250 (500mA)针对 2.5V~20V 输入操作系统而开发,提供了设计灵活性,在最大负载条件下,Vout 调节范围介于 1.224V 至 18V 之间,压差低至不超过 300mV(典型值)。此外还包括禁用时仅消耗<6uA 静态电流的使能引脚。这些都是适用于瑞萨电子 RA、RL78 和 RX 系列 MCU 的电源产品。
结束语
尽管概念和实现都比较简单,但得到广泛使用的 LDO 在系统电源设计中肩负着至关重要的功能。进行设计优化时需要考虑许多因素,特别是在电流水平较大的情况下。
RAA214020/23 非常适合中高电流应用,尤其是为对噪声敏感的应用供电。
RAA214401 采用经济高效的行业兼容 SOT23-3 封装,客户可以将传统的宽 Vin 替换为需要超低静态电流的固定 3.3Vout 150mA LDO(例如传感器系统、智能计量、电动工具或真空吸尘器等“始终开启”的电池供电设备)。
RAA214220/50 经过优化,支持 2.5V~20V 输入操作系统,具有出色的线性和负载调节功能,非常适合为行业领先的瑞萨 RA、RL78 和 RX 系列 MCU 供电。