Keith Szolusha, Gengyao Li, 和 Frank Wang
开关模式电源(SMPS)产生的EMI辐射频谱是由许多参数组成的函数,包括热回路大小、开关速度(压摆率)和频率、输入和输出滤波、屏蔽、布局和接地。一个潜在的辐射源是开关节点,在很多原理图上称为SW。SW节点铜可用作天线,发射快速高效的高功率开关事件产生的噪声。这是大多数开关稳压器的主要辐射源。
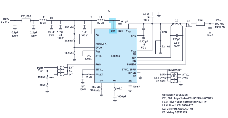
顶层SW节点的铜量当然应该最小化,以限制天线尺寸。通过单芯片开关稳压器(IC内的电源开关),SW节点从IC一直到电感,并在顶层留下一个短走线。通过使用一个控制器(开关控制器IC外部的功率开关),SW节点可以独立于开关,远离IC。SW节点铜在降压和升压开关拓扑中连接到电感的一侧。由于涉及众多性能参数,PCB的XY平面中或内层上的第1层SW节点的布局很棘手(见图1)。


电感几何形状
当然,当考虑电感端子时,SW节点还会垂直延伸(在Z平面中)。电感端子的垂直方向可能会增大SW节点的天线效应和辐射。此外,内部电感绕组可能不是对称的。即使电感的对称端子表明封装中隐藏的是对称结构,但元件顶部的极性指示却有另外的说法。图2显示了Coilcraft XAL电感系列的内部绕组结构。扁平线绕组从元件底部开始,结束于顶部,因此在Z平面中,一个端子最终要比另一个端子短得多。
此外,侧面有裸露SW节点的电感可能比具有屏蔽垂直金属的电感更差,如图3所示。电路板设计人员可以选择垂直裸露端子最少的电感来减少EMI,但两个电感端子的方向和对辐射的相对影响如何?
辐射反映真相
被测电路板的低辐射性能是IC辐射性能和布局考虑相结合的结果。即使采用低辐射单片IC,也必须慎重处理布局,同时还要考虑到关键辐射元件的安装。为了证明这一点,我们考察了LT8386演示电路的主电感L1的方向对电路板的影响(见图4)。在这种情况下,电感制造商Coilcraft规定元件上方标记有白线的为XAL6060系列电感的短端子。EMI室中的标准CISPR 25传导发射(CE)和辐射发射(RE)测试表明,该电感的放置方向(见图5)会严重影响性能。



图6、图7和图8表明,DC3008A的辐射性能直接受到演示电路上L1方向的影响,其他元件没有变化。具体而言,对于方向1——即短边端子放在SW节点上,低频RE(150 kHz至150 MHz)和FM频段CE(70 MHz至108 MHz)具有较低EMI。AM频段中的17 dBµV/m至20 dBµV/m差异无法被忽略。
并非所有电感”生而平等”。绕组方向、端子形状、端子连接的形状甚至芯材料可能不同。芯材料和结构不同的磁场和电场的强度可能会起到改变电感辐射的作用。但是,本案例研究揭示了一个需要关注的方面,我们可以把它变成有利因素。



无极化指示的电感
如果电感制造商用丝网正面标记或点指出内部端子尺寸的不同,那么很容易确定方向。如果选择此类电感中的一种用于设计,在PCB丝网上、安装图上甚至原理图中做上标记是明智的。遗憾的是,有些电感没有极化或短端子指示。内部绕组结构可能接近对称,或者可能存在已知的结构差异。这里没有任何恶意——制造商可能没有意识到其产品中固有的这种特定安装方向的区别。无论如何,我们建议在认证的腔室中评估选定电感在两个方向上的辐射,以确保高性能测量结果可重复。
有时候没有外部标记,电感的安装方向不可避免是任意的,但因为其他参数,仍需要使用电感。例如,Würth Elektronik的WE-MAPI金属合金电源电感尺寸很小,效率很高。其端子仅位于壳体的底部。每个元件的顶部WE徽标附近都有一个点,但数据手册上并未将该点指定为绕组指示的起点(见图9)。尽管最初这会引起一些混淆,但该元件具有相当对称的内部绕组结构,两个安装方向的性能应当相同。因此,IC顶部的点不必在安装丝网上指示出来。不过,如果用在EMI至关重要的电路中,在两个方向上进行测试以确认性能是明智的。
另一示例:Würth WE-XHMI
我们用高性能Würth电感测试了DC3008A,封装顶部上的点和数据手册中指出了其绕组的起点(见图10)。对于LT8386的外形尺寸和电流要求,74439346150 15μH电感非常适合。同样,为了与Coilcraft进行比较,我们在两个方向上安装该电感以进行辐射测试(见图11)。
结果(见图12)类似于Coilcraft电感。辐射结果表明,电感的安装方向对辐射有着显著影响。在这种情况下,图11中的方向1显然是最佳方向,辐射最低。方向1的较低频率AM频段(RE)和FM频段(CE)辐射显然更好。



双开关节点降压-升压IC(结果待续)
显而易见,电感方向对单开关节点升压LED驱动器中的辐射有影响。我们可以假设升压调节器的SW节点具有相同的特征辐射,因为电压调节器和LED驱动电路中的功率转换和开关元件相同。
我们还可以假设,为使电感端子的天线效应较小化,降压调节器具有类似的SW节点设计优先级。不过,由于降压调节器的SW节点更靠近转换器的输入侧,因此后续跟进工作可能有助于确定电感方向在RE和CE区域的影响是否与升压调节器相同。
对于双开关节点降压-升压转换器,则有一点进退两难。常用的降压-升压转换器(如 LT8390 60 V同步4开关降压-升压控制器系列中的转换器)具有重要的低EMI特性(如SSFM)和小型热环架构。单电感设计不能清楚地揭示电感方向对辐射的影响。若将短端子放在一个SW节点上,则长端子在另一个SW节点上会起到天线的作用。在这些设计中,哪个方向最好?当所有四个开关在4开关工作区(VIN接近VOUT)中切换时,会发生什么?
我们将在未来的文章中探讨这个问题——在不同电感方向测试带两个SW节点的4开关降压-升压型控制器的EMI。留给大家思考:对于此拓扑结构,也许有两种以上的选择,180°分开?

结论
开关稳压器中电感的安装方向很重要。测量辐射时,应注意电感方向及其可重复性——知道所选电感在这些方面有何区别,在两个方向上进行测试,并且如果无法确定方向,应将可能有的安装陷阱清楚地告知电路板生产部门。可能只需要将电感旋转180°就能改善辐射。